Ứng dụng PLC - Bố trí sân khấu
Bảng khai báo thiết bị:
| Dạng | Địa chỉ thiết bị | Tên thiết bị | Sự hoạt động |
Ngõ vào | X0 | Bên trong (màn cửa trái) | ON khi màn cửa đóng hòan tòan. |
| X1 | Ở giữa (màn cửa trái) | ON khi màn cửa ở vị trí giữa. | |
| X2 | Bên ngòai (màn cửa trái) | ON khi màn cửa mở hòan tòan | |
| X3 | Bên trong (màn cửa phải) | ON khi màn cửa đóng hòan tòan. | |
| X4 | Ở giữa (màn cửa trái) | ON khi màn cửa ở vị trí giữa . | |
| X5 | Bên ngòai (màn cửa trái) | ON khi màn cửa mở hòan tòan | |
| X6 | Giới hạn trên của sân khấu | ON khi sân khấu đến giới hạn trên . | |
| X7 | Giới hạn dưới của sân khấu | ON khi sân khấu đến giới hạn dưới. | |
Ngõ ra | Y0 | Lệnh mở màn cửa | Khi Y0_ON màn cửa mở.Khi Y0_OFF ,màn cửa dừng. |
| Y1 | Lệnh đóng màn cửa | Khi Y1_ON ,màn cửa đóng.Khi Y1_OFF,màn cửa dừng. | |
| Y2 | Sân khấu đi lên | Khi Y2_ON, sân khấu di chuyển lên trên. Khi Y2_OFF, sân khấu dừng. | |
| Y3 | Sân khấu đi xuống | Khi Y3_ON sân khấu di chuyển xuống .Khi Y3_OFF, sân khấu dừng. | |
| Y4 | Còi báo | Khi Y4_ON, còi kêu lên (đèn trên màn hình bật sáng). |
Mục đích điều khiển:
Điều khiển việc bố trí sân khấu tùy theo đặc tính điều khiển
Vận hành tự động :
Khi nút nhấn [START] X10 đựơc nhấn trên bảng điều khiển, còi báo Y4 kêu trong 5s. Nút này chỉ có tác dụng khi màn cửa được đóng hòan tòan và sân khấu ở vị trí giới hạn dứơi.
Khi còi ngừng, lệnh mở màn cửa Y0 chuyển sang ON và màn cửa được mở cho đến khi chúng đến giới hạn bên ngòai (X2 vàX5).
Sau khi màn cửa đã mở hòan tòan, sân khấu bắt đầu di chuyển lên trên khi Y2 chuyển sang ON và dừng lại khi Giới hạn trên của sân khấu X6 chuyển sang ON.
Khi nút nhấn [STOP] X11 được nhấn trên bàn vận hành, lệnh đóng màn cửa Y1 được chuyển sang ON và màn cửa đóng lại cho đến khi chúng đến giới hạn bên trong (X0 và X3).
Vận hành bằng tay:
Màn cửa chỉ được mở khi nút nhấn X12 trên bảng điều khiển đang được nhấn. Màn cửa dừng cho đến khi đến giới hạn bên ngoài (X2 và X5).
Màn cửa chỉ có thể được đóng khi nút nhấn X13 trên bảng điều khiển đang được nhấn. Màn cửa đóng cho đến khi đến giới hạn bên trong (X0 và X3).
Khi nhấn nút X14 thì sân khấu sẽ di chuyển lên trên và nó dừng khi đụng cảm biến giới hạn trên X6.
Khi nhấn nút X15 thì sân khấu sẽ di chuyển xuống và nó dừng khi đụng cảm biến giới hạn dưới X7.
Sơ đồ nguyên lý:

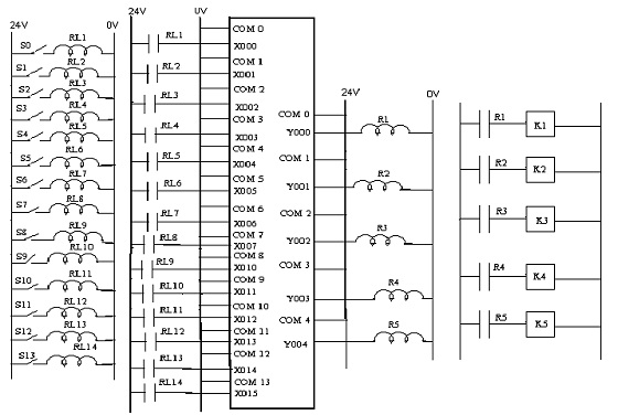
Giải thích sơ đồ nguyên lý:
Khi tác động vào S0 thì cuộn dây Rơle RL1 có điện, thì nó sẽ tác động vào tiếp điểm thường mở RL1. Từ đó nó sẽ tác động vào địa chỉ X000 của PLC Mitsubishi.
Khi tác động vào S1 thì cuộn dây Rơle RL2 sẽ có điện nên tiếp điểm thường mở RL2 sẽ có điện. Từ đó, địa chỉ X001 của PLC sẽ nhận được tín hiệu.
Khi tác động vào S2 thì cuộn dây Rơle RL3 sẽ có điện, thì nó sẽ tác động vào tiếp điểm thường mở RL3. Từ đó ,địa chỉ X002 của PLC sẽ nhận được tín hiệu.
Khi tác động vào S3 thì cuộn dây Rơle RL4 sẽ có điện nên tiếp điểm thường mở RL4 sẽ có điện .Từ đó, địa chỉ X003 của PLC sẽ nhận được tín hiệu.
Khi tác động vào S4 thì cuộn dây Rơle RL5 sẽ có điện, thì nó sẽ tác động vào tiếp điểm thường mở RL5 .Từ đó ,địa chỉ X004 của PLC sẽ nhận được tín hiệu.
Khi tác động vào S5 thì cuộn dây Rơle RL6 sẽ có điện nên tiếp điểm thường mở RL6 sẽ có điện. Từ đó, địa chỉ X005 của PLC sẽ nhận được tín hiệu.
Khi tác động vào S6 thì cuộn dây Rơle RL7 sẽ có điện, thì nó sẽ tác động vào tiếp điểm thường mở RL7 .Từ đó ,địa chỉ X006 của PLC sẽ nhận được tín hiệu.
Khi tác động vào S7 thì cuộn dây Rơle RL8 sẽ có điện, thì nó sẽ tác động vào tiếp điểm thường mở RL8. Từ đó ,địa chỉ X007 của PLC sẽ nhận được tín hiệu.
Khi tác động vào S8 thì cuộn dây Rơle RL9 sẽ có điện ,thì nó sẽ tác động vào tiếp điểm thường mở RL9 .Từ đó ,địa chỉ X010 của PLC sẽ nhận được tín hiệu.
Khi tác động vào S9 thì cuộn dây Rơle RL10 sẽ có điện ,thì nó sẽ tác động vào tiếp điểm thường mở RL10. Từ đó, địa chỉ X011 của PLC sẽ nhận được tín hiệu.
Khi tác động vào S10 thì cuộn dây Rơle RL11 sẽ có điện ,thì nó sẽ tác động vào tiếp điểm thường mở RL11. Từ đó, địa chỉ X012 của PLC sẽ nhận được tín hiệu.
Khi tác động vào S11 thì cuộn dây Rơle RL12 sẽ có điện ,thì nó sẽ tác động vào tiếp điểm thường mở RL12. Từ đó, địa chỉ X013 của PLC sẽ nhận được tín hiệu.
Khi tác động vào S12 thì cuộn dây Rơle RL13 sẽ có điện ,thì nó sẽ tác động vào tiếp điểm thường mở RL13. Từ đó, địa chỉ X014 của PLC sẽ nhận được tín hiệu.
Khi tác động vào S13 thì cuộn dây Rơle RL14 sẽ có điện ,thì nó sẽ tác động vào tiếp điểm thường mở RL14 .Từ đó ,địa chỉ X015 của PLC sẽ nhận được tín hiệu.
Khi Y000 có tín hiệu thì cuộn dây của Rơle R1 sẽ có điện nên tiếp điểm thường mở của R1 sẽ đóng lại. Từ đó, cuộn K1 sẽ có điện.
Khi Y001 có tín hiệu thì cuộn dây của Rơle R2 sẽ có điện nên tiếp điểm thường mở của R2 sẽ đóng lại. Từ đó, cuộn K2 sẽ có điện.
Khi Y002 có tín hiệu thì cuộn dây của Rơle R3 sẽ có điện nên tiếp điểm thường mở của R3 sẽ đóng lại. Từ đó, cuộn K3 sẽ có điện.
Khi Y003 có tín hiệu thì cuộn dây của Rơle R4 sẽ có điện nên tiếp điểm thường mở của R4 sẽ đóng lại. Từ đó, uộn K4 sẽ có điện.
Khi Y004 có tín hiệu thì cuộn dây của Rơle R5 sẽ có điện nên tiếp điểm thường mở của R5 sẽ đóng lại.Từ đó ,cuộn K5 sẽ có điện.
Khi Y000 có tín hiệu thì cuộn dây của Rơle R1 sẽ có điện nên tiếp điểm thường mở của R1 sẽ đóng lại .Từ đó ,cuộn K1 sẽ có điện.
Khi Y001 có tín hiệu thì cuộn dây của Rơle R2 sẽ có điện nên tiếp điểm thường mở của R2 sẽ đóng lại .Từ đó,cuộn K2 sẽ có điện.
Khi Y002 có tín hiệu thì cuộn dây của Rơle R3 sẽ có điện nên tiếp điểm thường mở của R3 sẽ đóng lại .Từ đó ,cuộn K3 sẽ có điện.
Khi Y003 có tín hiệu thì cuộn dây của Rơle R4 sẽ có điện nên tiếp điểm thường mở của R4 sẽ đóng lại.Từ đó ,cuộn K4 sẽ có điện.
Chương trình Ladder mẫu:

Thông tin liên quan
- Ứng dụng PLC Mitsubishi - Vận hành cửa tự động
- Ứng dụng điều khiển cung cấp sản phẩm
- Phân loại sản phẩm theo kích cỡ (II)
- Tín hiệu nút nhấn
- Ứng dụng PLC Mitsubishi - Điều khiển máy khoan
- Ứng dụng PLC Mitsubishi - Truyền động băng tải
- Ứng dụng PLC Mitsubishi - khởi động/ dừng băng tải
- Ứng dụng PLC Mitsubishi - phân loại kích cỡ
- Điều khiển định thì mạch đèn giao thông
- Phát hiện dùng cảm biến quang


