Phân loại sản phẩm theo kích cỡ (II)
Mô hình hoạt động ứng dụng dựa trên nền tảng PLC Mitsubishi

Bảng khai báo thiết bị
| Dạng | Địa chỉ thiết bị | Tên thiết bị | Sự hoạt động |
Ngõ vào | X0 | Điểm bắt đầu | ON khi Robot ở vị trí xuất phát. |
| X1 | Trên | ON khi sản phẩm kích cỡ lớn dược phát hiện. | |
| X2 | Giữa | ON khi sản phẩm kích cỡ trung bình dược phát hiện. | |
| X3 | Thấp | ON khi sản phẩm kích cỡ nhỏ dược phát hiện. | |
| X4 | Cảm biến | ON khi sản phẩm được phát hiện ở cuối băng chuyền phải | |
| X5 | Cảm biến | ON khi sản phẩm được phát hiện ở cuối băng chuyền phải | |
Ngõ ra | Y0 | Lệnh cung cấp | Một sản phẩm đươc cung cấp khi Y0 là ON. Một tiến trình bắt đầu theo thứ tự các xilanh :lớn, nhỏ, nhỏ, lớn và nhỏ. |
| Y1 | Băng tải chạy thuận (về phía trước) | Khi Y1 là ON _ băng tải di chuyển về phía trước. | |
| Y2 | Băng tải chạy thuận (về phía trước) | Khi Y2 là ON _ băng tải di chuyển về phía trước. | |
| Y5 | Cần phân loại | Di chuyển ra phía trước khi Y5 là ON. |
Mục đích điều khiển:
Phân loại sản phẩm đến vị trí cĩ kích cỡ tương ứng
Những đặc tính điều khiển:
- Khi công tắc X24 trên bảng điều khiển băng tải di chuyển về phía trước. Khi X24 trên bảng điều khiển đươc chuyển sang OFF, các băng tải ngừng hoạt động.
- Khi nút nhấn X20 trên bảng điều khiển được nhấn, lệnh cung cấp sản phẩm Y0 cho robốt hoạt động.
Lệnh cung cấp sản phẩm Y0 được chuyển sang OFF khi robot dy chuyển khỏi điểm bắt đầu (robot sẽ hoàn thành chu trình gắp sản phẩm).
- Robot sẽ cung cấp các sản phẩm có kích cỡ lớn, trung bình hoặc nhỏ.
- Sản phẩm lớn được dẫn đến băng chuyền phía sau (đi qua cảm biến X5).
- Sản phẩm nhỏ được dẫn đến băng chuyền phía trước (đi qua cảm biến X4). Kích cỡ sản phẩm được nhận dạng bằng các tín hiệu Trên X1, Giữa X2, Thấp X3 được đặt trên băng chuyền.
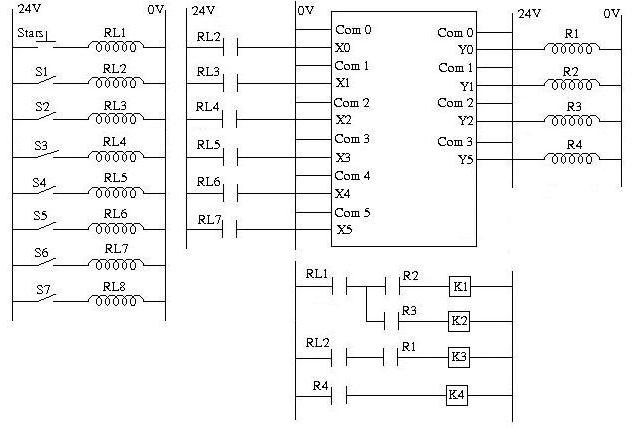
Sơ đồ nguyên lý:

Chương trình Ladder mẫu:

Thông tin liên quan
- Ứng dụng PLC - Bố trí sân khấu
- Ứng dụng PLC Mitsubishi - Vận hành cửa tự động
- Ứng dụng điều khiển cung cấp sản phẩm
- Tín hiệu nút nhấn
- Ứng dụng PLC Mitsubishi - Điều khiển máy khoan
- Ứng dụng PLC Mitsubishi - Truyền động băng tải
- Ứng dụng PLC Mitsubishi - khởi động/ dừng băng tải
- Ứng dụng PLC Mitsubishi - phân loại kích cỡ
- Điều khiển định thì mạch đèn giao thông
- Phát hiện dùng cảm biến quang


