Sự kết hợp các loại nhánh STL
Nhiều quá trình điều khiển công nghiệp có dạng một hoạt động ở tình trạng luôn luôn được thực hiện, và, nếu thỏa một điều kiện nào đó, hoạt động song song thứ hai được thực hiện đồng thời. Loại hoạt động này có thể được lập trình dùng kĩ thuật STL ( Lập trình PLC ) trong hình 2.36
Hoạt động
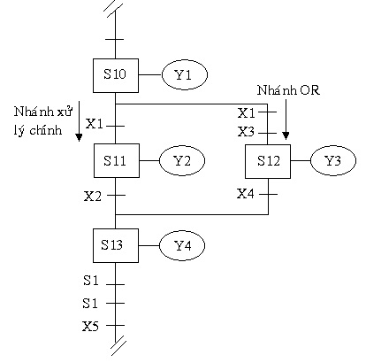
Trong ví dụ này, nhánh sử lý chính gồm trang thái S10, S11 và S13. Trạng thái S11 có một nhánh song song S12. Ở điều kiện bình thường khi X1 = ON, trạng thái S11 được kích hoạt và nhánh có S12 chỉ được kích hoạt khi có thêm điều kiện X3=ON
Hợp nhánh
Trạng thái S13 được kích hoạt từ trạng thái S11 hay S12 khi gõ vào X2 hay X4
thỏa tương ứng. Khi chỉ S11 hoạt động, hoạt động này là bình thường. Tuy nhiên, nếu nhánh song song cũng hoạt động thì đường vào trạng thái S13 tồn tại đối với cả hai nhánh, bất chấp hoạt dộng của nhánh còn lại hoàn tất hay chưa:
S11.X2 + S12.X4
Ta không muốn có tình trạng này vì các hoạt động của hai nhánh có S11 và S12 khó có thể được hoàn tất cùng lúc, và cần xem xét lại để bảo đảm rằng quá trình hoạt động không thể tiếp tục khi có một nhánh chưa hoàn tất. Trạng thái S13 vô hiệu trạng thái gây ra sự chuyển trạng thái đó, ngoài ra có thể vô hiệu trạng thái đầu tiên gây ra sự chuyển trạng thái, giả sử S11, một thời gian sau khi có sự chuyển trạng thái từ S12 làm kích hoạt trạng thái S13 một lần nữa và trạng thái S12 bị vô hiệu. Cơ chế hoạt động này chỉ có thể được thực hiện nếu không có sự chuyển trạng thái tại S13 trước khi cả hai nhánh được hoàn tất. Để đảm bảo rằng sự chuyển trạng thái S13 sang S14 chỉ có thể xảy ra khi cả hai trạng thái S11 và S12 hoàn tất (S11 = 0 và S12 = 0), vấn đề này được giải quyết bằng cách:




Hình 2.36. Sử dụng kết hợp các nhánh song song
Lập trình PLC Mitsubishi
Thông tin liên quan
- Ứng dụng PLC - Bố trí sân khấu
- Ứng dụng PLC Mitsubishi - Vận hành cửa tự động
- Ứng dụng điều khiển cung cấp sản phẩm
- Phân loại sản phẩm theo kích cỡ (II)
- Tín hiệu nút nhấn
- Ứng dụng PLC Mitsubishi - Điều khiển máy khoan
- Ứng dụng PLC Mitsubishi - Truyền động băng tải
- Ứng dụng PLC Mitsubishi - khởi động/ dừng băng tải
- Ứng dụng PLC Mitsubishi - phân loại kích cỡ
- Điều khiển định thì mạch đèn giao thông


